Working medium: clean water
Operating temperature: normal temperature
Working pressure: 1.0MPa
Nominal pressure PN: PN10
Body: HT200
Float: 304 stainless steel
Body strength pressure: 1.5MPa
Air seal test pressure: 0.05MPa~1.6MPa no water leakage
Double-port exhaust valve is a standing equipment for pipelines, installed at the high point of the pipeline or in a closed place, to remove the gas in the pipeline, dredge the pipeline, so that the pipeline runs normally, such as power failure, pump shutdown when there will be negative pressure in the pipe caused by pipeline vibration and rupture, the exhaust valve inhales in time to ensure the safety of the pipeline.
QB2 flange double-mouth type is suitable for water and hot water pipes with a temperature of no more than 100°C, so that all the air in the pipes can be discharged.
(1) Note: For D> 350mm pipeline, please choose a single-port exhaust valve (QB1-10).
(2) Install a double-port exhaust type, and a protection valve and ball valve (Q41F-16) must be installed at the bottom to avoid water outage.
(3) If the size of the flange of the exhaust valve is changed, please indicate the flange connection size on the contract. This exhaust valve is suitable for water, hot water, and pipelines with a maximum temperature of 100°C, so that all the gas in the pipeline can be discharged.
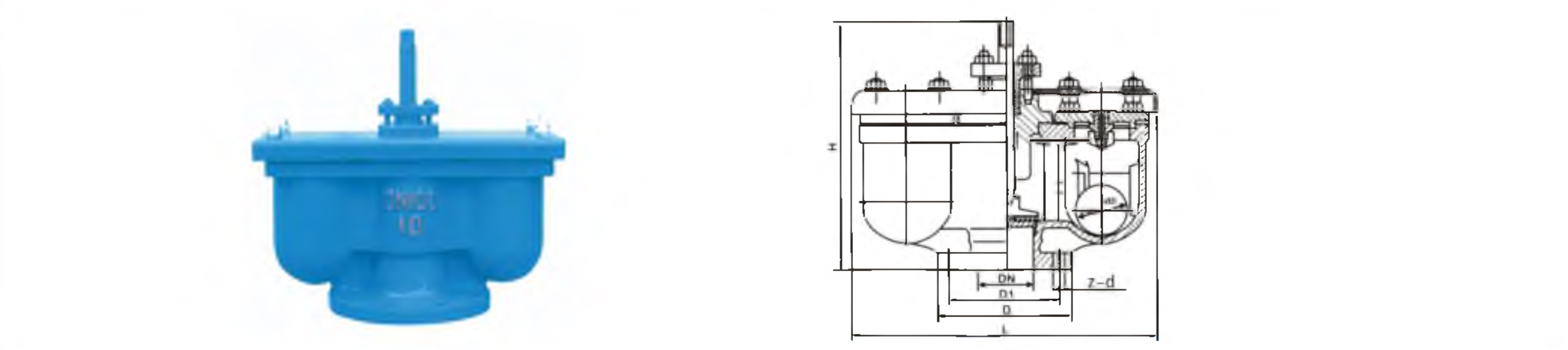
Product Structure:

Main Dimensions:
