密閉式冷凝水回收是一項復雜系統工程,該系統運用流體力學、單相流和兩相流原理,系統應用集中疏水引射技術,高低壓管路共網技術,利用蒸汽動能的自動加壓技術,將高溫凝結水在低背壓或無背壓狀況下暢通地引回到凝結水回收機組。經過除污器,汽水分離,快排凝結水,增壓汽蝕消除器,結合靈活的液位自調裝置,乏汽抽吸裝置,使高溫凝結水穩定地輸送到用戶,也使凝結水回收機組內的壓力低干外網壓力。汽蝕消除裝置及管道的優化設計改變了水泵汽蝕條件,在整個密閉運行的系統中,高溫水泵不會發生汽蝕。
基本原理
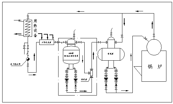
系統運行時,加熱設備產生的高溫凝結水先經疏水器進入余壓輸送管網及裝置,單一管線或多路管線壓力相等時,凝結水直接進入回收裝置;當多路管線壓力不等時,安裝輔助裝置多路收集器,使凝結水順利進入回收器。(注:虛線內為供貨范圍)。凝結水進入回收裝置后通過余壓利用、汽水分離、引流加壓、汽蝕消除等裝置后靠液位變送器給PLC的信號來控制離心泵工作,使凝結水順利加壓回收。

性能特點
1.機電一體化全自動控制,雙泵自動切換運行,自動聲光報警,運行安全可靠。
2.熱凝結水全部閉式回收,既無二次蒸汽外逸,又避免了凝結水與空氣接觸以及其它雜質對水質的污染,回收凝結水可直接作為鍋 爐補給水。
3.先進的汽水分離及汽液兩相自動平衡調節技術和汽蝕消除技術的運用,消除離心泵汽蝕現象,保證了泵的正常工作。
4.設計技術先進、整體結構緊湊、體積小、安裝使用方便。
工藝流程

編號說明
Ⅰ型: 電泵間歇運行,即當液位到達設定上限時,單臺泵啟動,下限時,泵停止工作,且雙泵按設定程序可定時切換工作;當液位到達上上限時,雙泵啟動,并且聲光報警,到達下下限時,雙泵停止工作且聲光報警。
Ⅱ型: 離心泵連續運行,可通過PLC可編程控制器和調節閥協調控制,使電泵保持連續運轉狀態。(泵連續運轉時,可配調節閥和相應閥門)
Ⅲ型:防腐、防爆,變頻調速、遠程控制以及其它特殊要求。

選型要求
1.確定回收介質(如高腐蝕介質應特別指出);
2.確定凝結水最大處理量;
3.確定設備運行方式(間歇運行、連續運行、特殊要求);
4.確定蒸汽系統及各回水管線最高工作壓力和最高工作溫度;
5.確定設備控制方式(現場控制、遠程控制);
6.確定泵工作的最高背壓:即凝結水回收系統的阻力;
7.確定泵工作的環境條件、安裝位置 (考慮到北方地區冬季寒冷,推薦在室內安裝);
8. 其它要求: 根據系統相關參數表確定型號。

